Como é o trem de pouso do Boeing 737?
INTRODUÇÃO
O trem de pouso do Boeing 737 e os demais (Landing Gear) suporta o avião estaticamente e durante manobras no solo.
Assim o sistema de pouso consiste de dois trens de pouso principais e um trem de pouso do nariz, empregando amortecedores do tipo ar/óleo para absorver os impactos de pouso, movimentos súbitos e vibrações durante o deslocamento do avião no solo.
TREM DE POUSO TRICICLO
A configuração de trem de pouso mais comum é a do tipo triciclo. Ele é composto de um equipamento principal e um no nariz. Igualmente o trem de pouso do Boeing 737 segue esse modelo.

TREM DE POUSO PRINCIPAL

AMORTECEDOR
Um típico amortecedor pneumático/hidráulico utiliza ar comprimido ou nitrogênio combinado com fluído hidráulico para absorver e dissipar as cargas do impacto.
Igualmente chamado de amortecedor ar/óleo. Sendo assim um amortecedor é constituído de dois cilindros ou tubos telescópicos fechados nas extremidades.
O cilindro superior é fixado à aeronave e não se move enquanto o cilindro inferior é chamado de pistão e desliza para dentro e para fora do cilindro superior, formando assim duas câmaras.
A câmara inferior é preenchida de fluído hidráulico e a câmara superior é preenchida de ar comprimido ou nitrogênio.
Um orifício localizado entre os dois cilindros oferece uma passagem para que o fluído da câmara inferior possa entrar no cilindro na câmara superior quando a haste é comprimida.

Como o trem de pouso é operado?
CONTROLE
O Sistema de Controle do Trem de Pouso do Boeing 737 (Landing Gear Control System) é operado movendo-se uma manete instalada no painel dos instrumentos, na cabine de comando.
Assim um sistema de cabos transmite o movimento desta manete para uma válvula seletora instalada no lado esquerdo da cavidade dos trens de pouso do Boeing 737.

Esta válvula, quando operada, transfere pressão hidráulica para os atuadores que recolhem ou estendem cada um dos três trens de pouso.
Esta manete está provida de um bloqueio que evita seu posicionamento na posição UP, quando o avião estiver suportada pelos trens de pouso, evitando que sejam recolhidos.
Este bloqueio é contrariado e a manete poderá ser recolhida, no caso de perda da força elétrica, acionando-se um gatilho específico para esta operação, enquanto é movimentada a manete.
Extensão e retração dos trens de pouso do Boeing 737
A extensão e retração dos trens de pouso é feita com pressão hidráulica e pode ser estendido manualmente no caso de falta desta pressão.
Uma manete localizada no painel P2-2, quando deslocada para a posição UP, comanda os três trens de pouso para recolherem-se. Os trens principais para o centro e para dentro da fuselagem.
O de nariz para a frente e para dentro da cavidade abaixo da cabine de comando. Com a manete na posição DOWN, todos os três trens de pouso estendem.
Com a manete na posição OFF, os três trens de pouso estarão na posição de voo normal de cruzeiro, bloqueados em cima e despressurizados.
Um bloqueio utilizando uma válvula solenóide impede que a manete seja posicionada em UP, quando o avião estiver no solo.
Indicação de posição
Seis lâmpadas localizadas acima da manete de controle indicam a posição de cada um dos três trens.
Sendo assim a luz verde indica trem embaixo e bloqueado. A luz vermelha indica o trem em trânsito ou que a posição da manete não coincide com a posição do trem, ou ainda que o trem não está embaixo e bloqueado.
Três manetes em forma de ‘T’ instaladas no assoalho da cabine de comando, atrás da poltrona do co-piloto, possibilitam a extensão independente de cada trem, quando o sistema hidráulico “A” não estiver disponível.
A manete de controle dos trens deverá estar na posição OFF para ser acionado este sistema manual de extensão.

ACIONAMENTO MANUAL (free fall)
O sistema de extensão manual do trem principal do Boeing 737 é usado para abaixar o trem principal quando a pressão do sistema hidráulico não está disponível.
Existe uma alavanca que é puxada para acionar o respectivo trem de pouso, que através de cabos aciona o gancho de bloqueio do trem para posição desbloqueado, então quando o mecanismo de desbloqueio do trem é manualmente liberado ele cai livremente até a posição totalmente estendido e bloqueado.

No trem de pouso do Boeing 737 existem três alavancas controladoras, uma para o trem do nariz e outras duas para os trens principais.
Os controles estão localizados no piso da cabine de comando.

SENSORES DE SEGURANÇA DO TREM DE POUSO
Certos sistemas requerem um controle elétrico dependendo da condição do avião (no ar ou no solo). Esta condição é fornecida pelas chaves de segurança (proximity switch) de ar e de solo que são acionadas de acordo com a posição do amortecedor estendido/comprimido).
FUNÇÃO
Os sensores de segurança (proximity switch) do trem de pouso principal fornecem sinais ao circuito do módulo elétrico para energizar ou desenergizar os relés de segurança, dependendo da condição do avião, se está no ar ou no solo.
Os sensores percebem a presença ou ausência de um atuador metálico.
Os atuadores metálicos, juntamente com a válvula de spoiler no solo, são acionados pela extensão ou compressão do amortecedor, através de um cabo teleflex.
Movimento mecânico posiciona o atuador para o respectivo sensor fornecendo o sinal apropriado.
LOCALIZAÇÃO
Os sensores de segurança do trem de pouso principal do Boeing 737 estão montados próximos da válvula do spoiler de solo acima do trem de pouso direito.

TREM DE POUSO DO NARIZ
Aeronaves mais pesadas utilizam uma força hidráulica para direcionar o trem de pouso do nariz. O controle é alcançado através de uma alavanca independente na cabine de comando.
As rodas instaladas no nariz podem ser direcionadas durante as manobras no solo, por uma manete ao lado da poltrona do piloto, girando até 78° para a esquerda e para a direita, orientando o avião durante o taxi e decolagem.
Os pilotos podem fazer correções de direção utilizando os pedais do leme de direção até 7°, para cada lado.

CARACTERÍSTICAS
Cada um dos trens de nariz e principais são equipados com duas rodas/pneus.
Os trens principais são equipados com quatro conjuntos de freio, um em cada eixo da roda, do tipo que usa discos, sendo operados hidraulicamente e assim modulados por um sistema de antiderrapagem, que consequentemente aumenta a eficiência de frenagem.
Estes freios podem ser operados tanto manualmente através dos pedais, bem como automaticamente pelo sistema do freio automático:
Em ambos casos, o sistema de antiderrapagem, usando as válvulas de controle normal ou alternativa, modula a pressão dos freios, otimizando assim a frenagem para qualquer condição da pista.
Os controles para a antiderrapagem e para o freio automático estão localizados no painel P2, junto à manete de posição do trem de pouso.

FREIO DE ESTACIONAMENTO
A função do sistema de freio de estacionamento é uma operação combinada.
Os freios são aplicados com os pedais do leme e um sistema de catraca os prede no lugar quando a alavanca do freio de estacionamento no convés de voo é puxado.

BLOQUEIO DO TREM
No trem de pouso do Boeing 737, os trens principais são atuados hidraulicamente e recolhem-se para dentro da fuselagem e são bloqueados nesta posição por um gancho, e são bloqueados na posição embaixo por um bloqueio dobrável.

Portas ligadas ao amortecedor e um sistema de vedação ao redor do pneu, fecham as aberturas da asa, quando este trem é recolhido.
Certas conexões são feitas com parafusos projetados para falharem, romperem-se, quando ocorrerem cargas de choque muito grandes, diminuindo as danificações nas estruturas primárias do avião.
CONJUNTO DE FREIOS
Função
A força de fricção do pneu sobre a superfície da pista para segurar o avião é controlada através da aplicação da força de seis pistões sobre o disco de pressão, que comprime o conjunto de cinco discos estáticos, acoplados com o eixo do amortecedor, e quatro discos rotativos, acoplados com a roda/pneu.
Cinco ajustadores mecânicos eliminam automaticamente a folga gerada pelo desgaste dos discos, utilizando a mesma força de frenagem oriunda dos pistões, para reposicionar o disco de pressão, pela deformação dos tubos de guia das hastes de ajuste.
Molas de retorno, que fazem parte do mecanismo de ajuste, afastam o disco de pressão dos demais discos do freio, permitindo o giro livre da roda.
Indicadores de desgaste
Dois indicadores de desgaste do freio do trem de pouso, consistindo de um pino preso ao disco de pressão, são utilizados para determinar a condição de uso do conjunto de freio.
Quando a extremidade livre deste pino coincidir com o flange da carcaça que contém os pistões, o conjunto de freio estará totalmente gasto e deverá ser substituído.


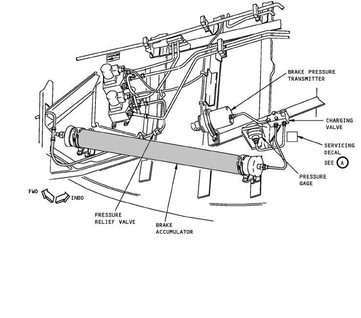
ACUMULADOR
O acumulador para o freio guarda energia hidráulica, assegurando fluxo instantâneo para opera-lo.
Quando completamente carregado, contém uma reserva de fluído pressurizado, suficiente para seis aplicações de freio aproximadamente e para manter o freio de estacionamento.
O pistão interno do acumulador é capaz de conter 200 polegadas cúbicas de fluído hidráulico dentro da câmara, pressurizado em 1.000 PSI de nitrogênio ou ar seco, a 25°C.
Uma válvula de pré-carga permite a pressurização pneumática, que pode ser controlada por um mostrador próximo desta válvula.
Um transmissor de pressão está conectado eletricamente ao indicador HYD BRAKE PRESS no painel P2 inferior, na cabine.
Duas válvulas unidirecionais na linha hidráulica, permitem entrada de fluído do sistema 6 dentro do acumulador, evitando seu retorno.
Válvula de isolamento
Uma válvula de isolamento bloqueia o fluxo de fluído hidráulico de sair do acumulador, quando o sistema A está pressurizando o Freio Alternativo (Alternate Brake) baixa pressão no sistema A, abre esta válvula de isolamento, permitindo que pressão do acumulador acione as válvulas de controle normal do freio, para uso em emergência, estando os sistemas A e B sem pressão, ou para o freio de estacionamento.
Pressão hidráulica do sistema A operando no freio alternativo, fecha a válvula de isolamento.


Localização
O acumulador, válvula de carregamento, mostrador da pressão, transmissor da pressão, estão localizados na parede traseira, lado direito, da área de componentes.

OPERAÇÃO DE MANUTENÇÃO
Pino de Bloqueio dos Trens de Pouso no Solo
Os pinos de bloqueio dos trens de pouso no solo evitam que estes trens recolham, quando acionados inadvertidamente, o que poderia causar danos estruturais no avião. Devem ser instalados imediatamente, quando o avião estaciona.

O pino de bloqueio da válvula de direcionamento do trem de pouso do nariz desvia para o retorno a pressão disponível para posicionar os atuadores que direcionam as rodas, permitindo que o avião seja tracionado por ação externa, como um trator e barra de reboque, evitando danos estruturais no avião. Devem ser instalados imediatamente, quando o avião estaciona.
Localização dos pinos
Os pinos de bloqueio dos trens no solo são instalados nos respectivos mecanismos de bloqueio embaixo de cada trem de pouso.
Pino de Bloqueio da Válvula de Direcionamento do Trem de Pouso do Nariz
O pino de bloqueio da válvula de direcionamento do trem de pouso do nariz é instalado no respectivo furo existente na válvula.

MATERIAL DE APOIO
DOWNLOAD MANUAL BOEING 737 NG – TREM DE POUSO
Fotos
[wpfd_category id=”176″]
Glossário — Trem de Pouso do Boeing 737
Navegação rápida: Acumulador de freio • Amortecedor ar/óleo • Antiderrapagem (anti-skid) • Atuador metálico • Bloqueio do trem (up-lock/down-lock) • Cabo Teleflex • Controle do trem de pouso • Direcionamento do trem de nariz (steering) • Disco de pressão (freio) • Extensão manual (free-fall) • Freio automático (autobrake) • Freio de estacionamento • Indicação de posição (luzes) • Indicadores de desgaste do freio • Manete do trem (UP/DOWN/OFF) • Pinos de bloqueio (solo) • Pino de bloqueio da válvula de direcionamento • Pistão (amortecedor) • Pressão hidráulica • Retração e extensão • Sensor de proximidade (ar/solo) • Sistema hidráulico “A” • Trem de pouso do nariz • Trem de pouso principal • Válvula de isolamento • Válvula seletora
Acumulador de freio
Reservatório que armazena energia hidráulica para garantir aplicações de freio em emergência e manter o freio de estacionamento. No 737, é pressurizado com nitrogênio/ar seco e fornece aproximadamente algumas aplicações mesmo sem pressão de sistema.
Amortecedor ar/óleo
Conjunto que absorve impactos e vibrações. Possui dois tubos telescópicos formando câmaras: a inferior com fluido hidráulico e a superior com ar comprimido/nitrogênio. Ao comprimir, o fluido passa por um orifício, dissipando energia.
Antiderrapagem (anti-skid)
Sistema que modula automaticamente a pressão de freio para evitar travamento das rodas, otimizando a frenagem em qualquer condição de pista. Atua tanto no freio manual quanto no freio automático.
Atuador metálico
Peça mecânica posicionada pelo movimento do amortecedor (estendido/comprimido) que “apresenta” uma superfície ao sensor de proximidade, permitindo identificar se a aeronave está no ar ou no solo.
Bloqueio do trem (up-lock/down-lock)
Mecanismos que travam o trem recolhido (gancho “up-lock”) e travam o trem estendido (trava dobrável “down-lock”). Garantem que o trem não se mova inadvertidamente em voo ou no solo.
Cabo Teleflex
Cabo flexível que transmite movimento mecânico do amortecedor a válvulas e sensores (por exemplo, ao sistema de spoiler no solo e aos atuadores/sensores do trem).
Controle do trem de pouso
Feito por uma manete na cabine. O movimento é transmitido a uma válvula seletora que envia pressão hidráulica aos atuadores para recolher/estender os três trens. Há trava que impede “UP” quando a aeronave está apoiada no solo.
Direcionamento do trem de nariz (steering)
Comando hidráulico que gira as rodas do nariz para manobras no solo. No 737, a manete de direção permite até ~78° para cada lado; pelos pedais do leme, o controle fino é de ~7° para cada lado.
Disco de pressão (freio)
Elemento do freio de múltiplos discos pressionado por pistões hidráulicos. Trabalha com discos estáticos e rotativos para gerar a força de atrito que freia a roda.
Extensão manual (free-fall)
Procedimento de emergência para baixar cada trem individualmente quando não há pressão hidráulica. Aciona-se por alavancas no piso da cabine; o trem “cai” por gravidade até a posição estendida e bloqueada.
Freio automático (autobrake)
Função que aplica os freios automaticamente após o toque ou em rejeição de decolagem, conforme nível selecionado. Trabalha em conjunto com o anti-skid para manter desaceleração estável.
Freio de estacionamento
Alavanca no pedestal que “trava” a pressão aplicada pelos pedais, mantendo os freios acionados no solo. Útil durante estacionamento e procedimentos em solo.
Indicação de posição (luzes)
Seis lâmpadas acima da manete informam a condição dos trens: verde = embaixo e bloqueado; vermelha = em trânsito, em desacordo com a manete ou não bloqueado.
Indicadores de desgaste do freio
Pinos de referência no conjunto do freio mostram a quantidade remanescente. Quando o pino se alinha a um flange da carcaça, indica desgaste total e necessidade de substituição.
Manete do trem (UP/DOWN/OFF)
Controle com três posições: UP (recolhe os trens), DOWN (estende os trens) e OFF (trens bloqueados em cima, sistema despressurizado em cruzeiro). Possui intertravamento elétrico/solenóide para evitar “UP” no solo.
Pinos de bloqueio (solo)
Dispositivos instalados nos mecanismos de bloqueio para impedir recolhimento acidental no solo. Devem ser colocados assim que a aeronave estaciona.
Pino de bloqueio da válvula de direcionamento
Pino que desvia a pressão de direção para retorno, liberando o nariz para ser rebocado por barra/trator sem danificar a estrutura. Também é instalado no estacionamento.
Pistão (amortecedor)
Parte móvel do amortecedor (tubo inferior) que desliza dentro do tubo superior fixo. Seu movimento altera volumes das câmaras e força a passagem do fluido pelo orifício de amortecimento.
Pressão hidráulica
Força de trabalho enviada pela válvula seletora aos atuadores dos trens e dos freios. No 737, o sistema de trens e freios pode usar fontes específicas (como o sistema “A”) e modos alternativos em emergência.
Retração e extensão
Com a manete em UP, os trens principais recolhem para dentro/centro da fuselagem e o de nariz recolhe à frente para a baía sob a cabine. Em DOWN, todos estendem; em falta de pressão, usa-se a extensão manual.
Sensor de proximidade (ar/solo)
Conjunto de sensores que “lê” a presença do atuador metálico para identificar se o avião está no ar ou no solo. Seus sinais comandam relés e funções dependentes da condição ar/solo.
Sistema hidráulico “A”
Um dos sistemas hidráulicos da aeronave. No trem de pouso/freios, pode alimentar retração/extensão e atuar como fonte primária ou alternativa, conforme o modo selecionado.
Trem de pouso do nariz
Conjunto dianteiro com duas rodas, responsável pelo direcional no solo (steering) e por suportar parte do peso na corrida de decolagem e pouso.
Trem de pouso principal
Conjuntos situados sob a asa/fuselagem, cada um com duas rodas e freios de múltiplos discos. Suportam a maior parte das cargas no pouso, decolagem e taxi.
Válvula de isolamento
Válvula que, em baixa pressão de sistema, libera a pressão acumulada para acionar os freios via controle normal (uso de emergência/estacionamento). Em operação normal, permanece fechada.
Válvula seletora
Válvula comandada pela manete do trem. Direciona a pressão aos atuadores de extensão/retração e às travas, conforme a posição selecionada.
FAQ — Perguntas Frequentes
P: Por que existe uma trava que impede colocar a manete em UP com a aeronave no solo?
R: Para evitar recolhimento acidental que poderia danificar a estrutura e causar colapso no solo. O intertravamento monitora a condição ar/solo pelos sensores de proximidade e só permite UP quando seguro.
P: Como funciona a extensão manual (free-fall) e quando ela é usada?
R: Em falta de pressão hidráulica, o piloto aciona alavancas no piso que liberam as travas; o trem desce por gravidade até travar em posição estendida. É usada em panes hidráulicas ou discrepâncias de comando.
P: O que significam as luzes verde e vermelha do painel do trem?
R: Verde indica trem estendido e bloqueado. Vermelha indica trem em trânsito, desacordo com a posição da manete ou não bloqueado — situação que exige ação do piloto conforme checklist.
P: Qual a diferença entre freio automático e freio manual com anti-skid?
R: No automático, a desaceleração é pré-selecionada e o sistema comanda a pressão; no manual, o piloto modula pelos pedais. Em ambos os casos, o anti-skid atua para prevenir travamento de rodas.
P: Para que serve o acumulador dos freios?
R: Garante aplicações de freio em emergência e mantém o freio de estacionamento quando a pressão de sistema não está disponível, oferecendo algumas aplicações adicionais.
P: Por que instalar pinos de bloqueio assim que o avião estaciona?
R: Para impedir qualquer recolhimento acidental por comando inadvertido ou pane, protegendo pessoas e a aeronave durante a manutenção e o reboque.
P: Qual é o papel do pino de bloqueio da válvula de direcionamento do nariz?
R: Ele desvia a pressão de steering para retorno, liberando as rodas do nariz para reboque por barra/trator sem esforço hidráulico, evitando danos.
P: Como o trem principal e o do nariz recolhem?
R: Os principais retraem para dentro/centro da fuselagem; o do nariz move-se à frente e para dentro da baía sob a cabine. Portas e vedações fecham a abertura quando recolhidos.
P: Como ler os indicadores de desgaste dos freios?
R: Se o pino-indicador fica nivelado com o flange de referência da carcaça dos pistões, o conjunto de freio atingiu o limite e deve ser substituído.
P: Qual a autoridade de direção no solo?
R: Pela manete de steering, até cerca de 78° para cada lado; pelos pedais do leme, cerca de 7° — suficiente para correções finas no táxi e na decolagem.
P: Em voo de cruzeiro por que a manete fica em OFF?
R: Para manter os trens bloqueados em cima e despressurizar a linha de comando, reduzindo desgaste, consumo e risco de acionamentos indesejados.

0 Comentários